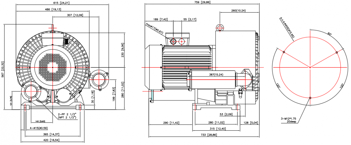
| HB-8315S | ||||
| 50Hz | 60Hz | |||
| 모터[MOTOR] | kW | 11 | 13 | |
| 토출[PRESSURE] | mmAq[Max.] | 6000 | 6000 | |
| 진공[VACUUM] | mmAq[Max.] | 4300 | 4550 | |
| 풍량[AIR FLOW] | m3/min[Max.] | 9.6 | 10.9 | |
| 전류[CURRENT] | 380V | A | 27 | 29.8 |
| 720V | 15.6 | 17.2 | ||
| 구경[NOZZLE] | 65A | |||
| 소음[NOISE LEVEL] | dB | 83 | ||
| 무게[WEIGHT] | kg | 142 | ||
| 베어링[BEARING] | FRONT | 6207ZZC3 | ||
| REAR | 6209ZZC3 | |||
■ 본 성능표는 표준대기압 1bar, 흡입온도 20℃, 공기 밀도 1.2kg/m3을 기준으로 표기된 수치입니다.
■ 각 수치의 허용범위는 ±10% 입니다.
■ 내화학성 코팅, 방폭형, 내수형(L) 등 별도 옵션이 필요하신 경우, 문의 바랍니다.
■ 본 수치는 성능 개선을 위하여 사전고지 없이 변경될 수 있습니다.
■ The performance is valid with atmosphere 1bar(abs.), inlet air temperature 20℃ and air density 1.2kg/m3, allowable tolerance as ±10%.
■ All right reserved for technical specification changes without prior approval from any source outside HAESUNG, when considered necessary
based on our research and development.

■ 운전점이 곡선의 아랫부분에 있을 경우에도 연속운전이 가능하나 최대압력 부근의 운전은 과열로 인한 모터 소손이 우려되므로
릴리프 밸브 등 추가적인 대책이 필요합니다.(자세한 사항은 악세사리 부분 참고 및 문의 바랍니다.)
■ 본 수치는 토출을 기준으로 측정된 값이며, 진공용으로 사용 시 문의 바랍니다.
■ 본 성능곡선도는 표준대기압 1bar, 흡입온도 20℃, 공기 밀도 1.2kg/m3을 기준으로 표기된 수치입니다.
■ 각 수치의 허용범위는 ±10% 입니다.
■ 본 수치는 성능 개선을 위하여 사전고지 없이 변경될 수 있습니다.
■ 50Hz 기준 성능곡선도는 문의바랍니다.

